
基本半导体推出34mm封装的全碳化硅MOSFET半桥模块,该系列产品采用第三代碳化硅MOSFET芯片技术,在比导通电阻、开关损耗、可靠性等方面表现更出色。
BMF80R12RA3产品与高速大电流IGBT在20kW逆变焊机应用工况中进行电力电子仿真对比。仿真数据表明,碳化硅MOSFET功率模块可在80kHz以上的开关频率下运行,且相较于IGBT,其总损耗还能再降低至50%左右。
此外,基本半导体针对34mm模块在逆变焊机的应用,可提供碳化硅MOSFET驱动板整体解决方案及其零件。
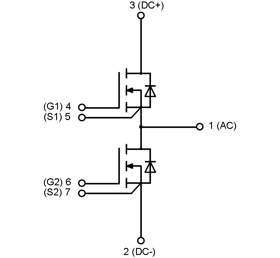
产品拓扑

产品特点
基本半导体第三代碳化硅MOSFET芯片技术
性能显著提升
低导通电阻
高温下RDS(on)表现优异,导通损耗更低,稳定性强
低开关损耗
支持高频运行,功率密度大幅提升
高工作结温
Tvj=175℃
应用领域
高端工业电焊机
感应加热设备
工业变频器
电镀电源
产品列表

产品性能实测数据(BMF80R12RA3)
1. 静态参数测试

2. 动态参数测试

碳化硅MOSFET开关速度较快,常温和高温开关损耗较低;
BMF80R12RA3在高压800V,大电流80A时,无论在常温或是高温下,碳化硅MOSFET本身以及体二极管的关断电压尖峰均在1200V以内,关断电压尖峰小。

BMF80R12RA3开关波形(Tj=150℃)
测试条件:
VDC=800V; ID=80A; RG(on)=15Ω, RG(off)=8.2Ω, VGS(op)=-4V/+18V。

测试条件:
VDC=800V; ID=160A; RG(on)=15Ω, RG(off)=8.2Ω, VGS(op)=-4V/+18V。

H桥硬开关拓扑电力电子仿真——焊机应用
1. H桥硬开关拓扑电力电子仿真(BMF80R12RA3)
电力电子仿真基于产品(器件或模块)的PLECS模型,模拟用户实际的工况条件和运行模式,根据产品的评估结果,判断其可行性,给用户在实战前一个非常好的参考。
仿真80℃散热器温度下,电焊机功率20kW工况下,在全桥拓扑中,我司BMF80R12RA3与传统IGBT模块的损耗表现。

2. 仿真结果(BMF80R12RA3)

仿真结论:BMF80R12RA3与高速IGBT的仿真数据相比,即使开关频率从传统IGBT的20kHz提升到碳化硅MOSFET的80kHz,在同样20kW的功率情况下,碳化硅的总损耗在B***模块的一半左右,整机效率提高接近1.58个百分点,表现非常优异。
采用碳化硅MOSFET模块,可提高开关频率,并减小整台焊机的质量、体积和噪声,提高整机效率,同时加快动态响应速度、输出电流及功率的控制将更加精准,使得焊接电源实施更高质量的焊接工艺控制变得更容易。

BSRD-2427所应用到的以下三款零件为基本半导体自主研发产品,用户可单独使用以下零件进行整体方案的设计。


如您对我们的产品感兴趣,欢迎添加微信联系咨询哦!