
基本半导体推出1200V工业级碳化硅MOSFET半桥模块Pcore™2 ED3系列,采用新一代碳化硅芯片技术,结合高性能Si3N4 AMB基板与铜基板封装,在提升功率密度的同时显著增强产品可靠性。
针对光伏、储能及工业电机驱动等应用,该模块具备低导通电阻与低开关损耗特性,支持更高开关频率。通过与同电压等级IGBT模块的仿真对比可见,ED3系列模块在效率与散热表现上优势明显,有助于系统实现更高功率密度与更低散热成本。此外,基本半导体可提供与该模块配套的即插即用驱动板整体解决方案,助力客户实现快速集成与高效开发。
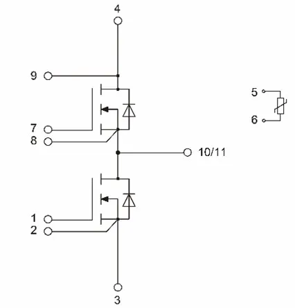
产品拓扑

产品特点
基本半导体第三代碳化硅MOSFET芯片技术,性能更优
低导通电阻,高温下RDS(on)表现优异
低开关损耗,提高开关频率,功率密度提升
高性能Si3N4 AMB和高温焊料引入,提高产品可靠性
高可靠性和高功率密度
铜基板散热
应用领域
储能系统
固态变压器SST
光伏逆变器
牵引辅助变流器
电机驱动
产品列表

一、产品性能实测数据(BMF540R12MZA3)
1. 静态参数测试

2. 动态参数测试
2.1 参数平台

2.2 动态测试参数对比

开关波形 (ID=270A)

开关波形 (ID=540A)

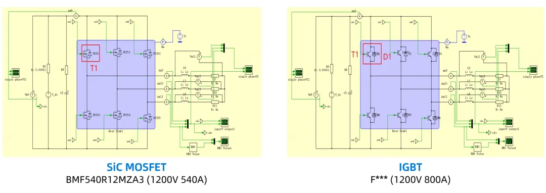
二、SiC MOSFET模块与IGBT模块对比
两类模块在两电平逆变应用中的对比
使用PLECS软件建模。
红框为温度和损耗监控MOSFET和IGBT的位置,其余开关位置结果完全相同,不作展示。

仿真的工况及条件
仿真80℃散热器温度下,三款模块在此应用工况中的损耗、结温和整机效率。
应用为电机驱动或并网逆变器。

仿真任务—固定出力仿结温
仿真80℃散热器温度下,母线电压800V、输出相电流400Arms应用工况下的损耗、结温和整机效率。

输出有功功率=400A*350V*3*cosφ=378kW
效率(%)=输出有功功率/(输出有功功率+器件总损耗功率)=378kW/(378+0.38641*6)kW=99.38%
SiC MOSFET与IGBT两者效率差意味着什么?
100%-99.38%=0.62%
100%-98.79%=1.21%
两者发出的热量相差一倍,散热系统能节省很多成本和体积,使用SiC MOSFET更节能。
8kHz 400Arms T1工况仿真结果——波形
BMF540R12MZA3(1200V 540A)

F*** (1200V 800A)

I*** (1200V 900A)

三、SiC MOSFET与IGBT在buck拓扑应用中的仿真数据
SiC MOSFET模块与IGBT模块在buck拓扑中的应用对比
使用PLECS软件建模。
红框为温度和损耗监控MOSFET和IGBT的位置,其余开关位置结果完全相同,不作展示。

仿真的工况及条件
仿真80℃散热器温度下,三款模块分别在此应用工况中的损耗、结温和整机效率。
应用为Buck拓扑,电压从800V降到300V。

仿真任务1--固定出力仿结温
仿真80℃散热器温度下,输入电压800V、输出电流350A应用工况下的损耗、结温和整机效率。

输出功率=350A*300V=105kW
效率(%)=输出功率/(输出功率+器件总损耗功率)=105kW/(105+0.43145)kW=99.58%
2.5kHz T1仿真结果--波形
BMF540R12MZA3 (1200V 540A)

F*** (1200V 800A)

I*** (1200V 900A)

仿真任务2--固定出力仿结温
80℃散热器温度与约束结温Tj ≤175℃情况下,仿真计算模块的输出电流。

仿真任务3--开关频率和输出电流的关系
仿真Buck拓扑,输入电压800V,输出电压300V,80℃散热器温度,在限制结温Tj ≤175℃情况下(上管或下管;MOSFET,IGBT或二极管)三款模块开关频率和输出电流的关系。

四、ED3模块与驱动板整体解决方案
ED3 SiC MOSFET驱动板即插即用解决方案1

ED3 SiC MOSFET驱动板即插即用解决方案2


如您对我们的产品感兴趣,欢迎添加微信联系咨询哦!