前 言
在有源电力滤波器(APF)系统中,功率器件的选择直接影响整机的滤波性能、效率与可靠性。随着电网电能质量要求日益提高,APF需要具备更高的开关频率、更低的损耗以及更强的过载能力。碳化硅功率器件以其优异的高频、高温特性,正成为提升APF性能的关键技术路径。
本文将系统介绍基本半导体碳化硅产品及配套驱动解决方案在APF中的应用,通过仿真数据与产品分析,展示其在提升效率、功率密度和运行可靠性方面的显著优势。

01 碳化硅MOSFET和集成电路在APF应用中的选型
在APF这类需要快速动态响应、高频开关的应用中,碳化硅MOSFET的低开关损耗、高开关频率特性显得尤为重要。基本半导体提供从分立器件到模块的全系列碳化硅MOSFET产品,并搭配自主研发的隔离驱动与电源芯片,为APF系统提供高性能、高可靠的整体解决方案。


02 E2B模块BMF240R12E2G3和单管B3M013C120Z在APF应用中的仿真数据
1) 模块BMF240R12E2G3介绍

2) 单管B3M011C120Z介绍

3) 仿真情况
仿真条件
APF拓扑:两电平全桥
散热器温度:在80℃、90℃下仿真
母线电压800Vdc,输出电压400Vac
评估其在输出相电流150A时的总损耗和最高芯片结温

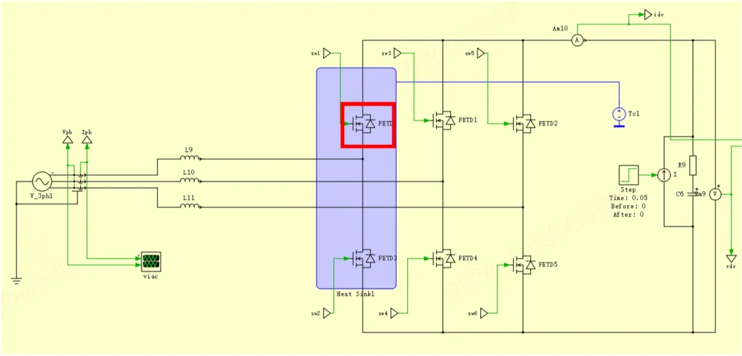
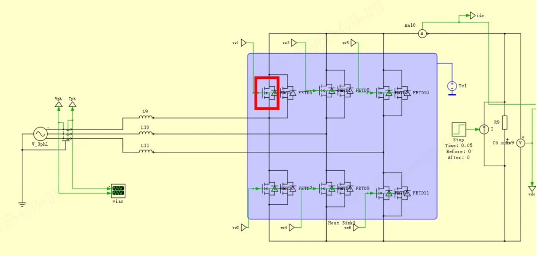
APF仿真拓扑
红框为温度和损耗监控碳化硅MOSFET位置,其他碳化硅MOSFET完全对称,数据不做展示

E2B半桥模块 BMF240R12E2G3单机用3只

单管 B3M011C120Z单机用12只
APF感性无功仿真数据
模块BMF240R12E2G3 仿真方案

输出无功功率=150A*400V*3*1=180kVar
等效效率(%)=输出无功功率/(输出无功功率+器件总损耗功率)=180kVar/180kVar+(0.167*6)kW=99.45%
b. 单管B3M011C120Z两并 仿真方案

输出无功功率=150A*400V*3*1=180kVar
等效效率(%)=输出无功功率/(输出无功功率+器件总损耗功率)=180kVar/180kVar+(0.07485*12)kW=99.50%
c. E2B半桥模块 BMF240R12E2G3 TH=90℃ Iout=150Arms工况仿真波形

d. 单管B3M011C120Z TH=90℃ Iout=150Arms工况仿真波形

仿真结果表明,即使在80℃、90℃高温的严苛条件下,BMF240R12E2G3模块和B3M011C120Z单管两种方案均能保持合理的结温与损耗水平,充分验证了其在高频、高负载APF应用中的优异性能与可靠性。
APF系统开发商可根据系统成本、装联方式、散热条件自行选择模块或者单管解决方案。
03 碳化硅MOSFET产品系列
基本半导体碳化硅MOSFET系列产品基于高性能晶圆平台开发,在比导通电阻、开关损耗及可靠性等方面表现卓越。产品涵盖工业模块与分立器件,封装形式多样,可满足不同功率等级和拓扑结构的APF设计需求。
1) 工业级碳化硅MOSFET功率模块

2) 不同陶瓷覆铜板的性能对比
模块的可靠性很大程度上取决于基板材料。以下是常用陶瓷覆铜板(DCB)的性能比较:
AI2O3——导热率最低,DCB的成本也最低
AlN——导热性最好,但抗弯强度差,而且厚度应稍高一些(典型厚度630um)
Si3N4——导热性比AlN差,但抗弯强度要好得多,因此厚度可以更低(典型厚度360um)
经过10次温度冲击后,AI2O3/AlN在垂直面上剥落,而Si3N4则在1000次温度冲击试验后保持了良好的接合强度,所以Si3N4非常适合碳化硅MOSFET模块

3) Pcore™2 E2B系列碳化硅MOSFET模块
产品亮点
低导通电阻,高温RDS(on)表现优异
内部集成碳化硅SBD,管压降低且基本没有反向恢复行为
低开关损耗,开关损耗随温度上升反而下降
高阈值电压,降低误导通风险
高性能Si3N4 AMB和高温焊料引入,提高产品可靠性
支持Press-Fit压接和Soldering焊接工艺
集成NTC温度传感器
应用领域
大功率快速充电桩
150A有源滤波器APF
125kW工商业储能PCS
高端工业电焊机
高频DCDC变换器
电机驱动控制

产品列表

4) 碳化硅MOSFET模块内部内置碳化硅SBD优势
内置SBD实现了更高的可靠性,降低RDS(on)实验前后的变化:
在普通碳化硅MOSFET 中,体二极管导通运行1000小时后导通内阻RDS(on)波动高达42%,而本产品的RDS(on)变化率在3%以内

5) BMF240R12E2G3的开通损耗Eon随温度升高而降低
从以下各品牌曲线图得出,碳化硅MOSFET的Eon的数值远大于Eoff,Eon占总损耗Etotal的60~80%左右
FF6MR12W2M1H_B70 (I***)和CAB006M12GM3(W***)的Eon显示正温度特性,随着温度上升Eon变大
BMF240R12E2G3的Eon呈现负温度特性,随着温度上升Eon变小,这使得高温时开关损耗会下降,而Eon的权重很高,所以高温重载时,整机效率就显得很出色,尤其在硬开关的拓扑中,这个特征在PCS应用中很有价值

6) 碳化硅MOSFET分立器件

04 使用碳化硅MOSFET的驱动板整体解决方案
基本半导体提供碳化硅MOSFET驱动板及其零件

结 语
碳化硅功率器件凭借其高频、高效、高温特性,为有源电力滤波器(APF)的性能提升提供了强劲支持。基本半导体凭借在碳化硅技术领域的深厚积累,提供从功率模块、分立器件到驱动电源芯片的完整解决方案。仿真与实测表明,其产品在高温、过载等严苛条件下表现优异,能有效提升APF系统的可靠性、效率与功率密度。 随着碳化硅成本的持续优化与产业链的完善,其在电能质量治理领域的应用将不断深化。基本半导体将持续投入创新,致力于为客户提供高性能、高可靠的碳化硅产品,共同推动绿色电网与智能电能管理技术的发展。

如您对我们的产品感兴趣,欢迎添加微信联系咨询哦!