前 言
在工商业储能系统中,储能变流器(PCS)是核心组件之一,其性能直接影响整个系统的效率和可靠性。随着碳化硅(SiC)功率器件的广泛应用,储能PCS的效率、功率密度和可靠性得到了显著提升。本文将详细介绍基本半导体产品在125kW工商业储能PCS中的应用,并通过仿真数据和实际案例,展示其在高温、满负载(同时满足120%负载要求)环境下的优异表现。
一、125kW工商业储能PCS主流解决方案
工商业储能系统PCS的拓扑结构设计至关重要,我们列举几个较为典型的方案。
1、T型三电平拓扑--IGBT

2、T型三电平拓扑--混合器件

3、I型三电平拓扑--IGBT

4、半桥两电平拓扑-- 碳化硅MOSFET

二、BMF240R12E2G3在125kW工商业PCS应用的仿真数据
基本半导体的碳化硅MOSFET半桥PcoreTM2 E2B模块BMF240R12E2G3在125kW工商业储能PCS中表现出色。通过仿真数据,可以看到其在高温、高负载环境下的优异性能。
1、仿真条件--BMF240R12E2G3不并联用于125kW 三相四桥臂PCS
仿真65℃/70℃/80℃散热器温度下,PCS整流和逆变三相四桥拓扑中E2B模块1倍负载(125kW)、1.1倍负载(137.5kW)、1.2倍负载(150kW)碳化硅MOSFET的损耗和结温。

2、仿真拓扑--三相四桥臂PCS
温度和损耗监控U相,V相,W相中其中一桥臂的碳化硅MOSFET,此次仿真监控蓝色框内的碳化硅MOSFET。

3、结温和损耗仿真数据--100%负载(整流工况)
仿真65℃/70℃/80℃散热器温度下,PCS拓扑中E2B模块1倍负载(125kW)碳化硅 MOSFET的损耗和结温情况:在相同的开关频率下,随着散热器的温度升高,碳化硅 MOSFET的开关损耗反而在下降,一定程度上抵消了导通损耗的增加,高温条件下的出流能力更强,这是基本半导体碳化硅模块BMF240R12E2G3本身固有的优秀特性带来的结果。

4、结温和损耗仿真数据--120%负载(整流工况)
不同工况下的结温、损耗对比:仿真65℃/70℃/80℃散热器温度下,PCS拓扑中E2B模块1.2倍负载(150kW)碳化硅MOSFET的损耗和结温如下表格所示。

5、结温和损耗仿真数据--120%负载(逆变工况)
不同工况下的结温、损耗对比:仿真65℃/70℃/80℃散热器温度下,PCS拓扑中PcoreTM2 E2B模块1.2倍负载(150kW)碳化硅MOSFET的损耗和结温。

6、碳化硅MOSFET和集成电路在125kW工商业PCS应用中的选型(三相四桥臂)


三、主电路采用的碳化硅 MOSFET器件
1、Pcore™2 E2B系列碳化硅MOSFET工业模块
产品亮点
低导通电阻,高温RDS(on)表现优异
内部集成碳化硅SBD,管压降低且基本没有反向恢复行为
低开关损耗,开关损耗随温度上升反而下降
高阈值电压,降低误导通风险
高性能Si3N4 AMB和高温焊料引入,提高产品可靠性
支持Press-Fit压接和Soldering焊接工艺
集成NTC温度传感器
应用领域
大功率快速充电桩
150A APF
125kW PCS
高端工业电焊机
高频DCDC变换器
电机驱动控制


1)碳化硅MOSFET芯片采用内嵌碳化硅SBD的技术
在碳化硅MOSFET的元胞中嵌入碳化硅SBD元胞,可以显著提升碳化硅MOSFET的性能。与MOSFET配合换流的是碳化硅SBD而不是MOSFET的体二极管,比起碳化硅MOSFET的体二极管换流,Eon会有优势。


2)BMF240R12E2G3采用芯片内嵌碳化硅SBD二极管给系统带来的优势
可实现MOSFET的源极到漏极更低的VSD,比普通碳化硅 MOSFET的VSD要明显低。当电网电压异常波动时,PCS系统将有可能停止工作,碳化硅MOSFET门极封波,同时电网侧的断路器将断开,切断PCS系统和电网的连接,在断路器完全切断之前的时间内,电网通过体二极管对PCS进行不控整流,整流电流ISD从电网侧涌进PCS的直流母线,这种工况需要靠碳化硅MOSFET的反并联二极管硬扛浪涌电流。由于BMF240R12E2G3的SD间二极管有更低的VSD,这将大大降低导通损耗,从而提高碳化硅MOSFET的对电网浪涌电流的抵御能力。

3)BMF240R12E2G3的开通损耗Eon随温度升高而降低
从以下各品牌曲线图得出,碳化硅MOSFET的Eon的数值远大于Eoff,Eon占总损耗Etotal的60%~80%左右。
其他同行品牌I***和W***的Eon显正温度特性,随着温度上升Eon变大。
BMF240R12E2G3的Eon呈现负温度特性,随着温度上升Eon变小,这使得高温时开关损耗会下降,而Eon的权重很高,所以高温重载时,整机效率就显得很出色,尤其在硬开关的拓扑中,这个特征在PCS应用中很有价值。

4)与国际品牌的静态参数对比
a. 根据静态特性,BMF240R12E2G3 在 BVDSS、VGS(th)、VSD、Crss 方面表现出色,优于其他同行产品。

b. 漏电IGSS 和开启电压VGS(th) 参数

c. RDS(ON) 参数

d. 体二极管VSD (Forward Voltage of Body-Diode) 和栅极电阻RG(int)

5)与国际品牌的动态参数对比
a. 电容参数

b. 双脉冲测试平台

c. 高温和低温,基本半导体BMF240R12E2G3 的Eoff、Etotal性能优异,都优于W***和I***
BMF240R12E2G3在高温(Tj=125℃)时的Eon相比常温(Tj=25℃)时的Eon显著下降,这是BMF240R12E2G3最优秀的一项动态特性。

d. 高温和低温,体二极管的Qrr和Err的性能优于W***
基本半导体BMF240R12E2G3的体二极管的反向恢复电流变化率di/dt,在高温(Tj=125℃)时的数值相比常温(Tj=25℃)时的数量大幅度下降。

e. BMF240R12E2G3(BASiC)开关波形
测试条件: VDC=800V; ID=400A; Rgon=Rgoff=3.3Ω,Vgs(op)=-3V/+18V; Tj=125℃

f. 同行品牌W***开关波形
测试条件: VDC=800V; ID=400A; Rgon=Rgoff=3.3Ω,Vgs(op)=-3V/+18V; Tj=125℃

g. 同行品牌I***开关波形
测试条件: VDC=800V; ID=400A; Rgon=Rgoff=3.3Ω,Vgs(op)=-3V/+18V; Tj=125℃

2、基本半导体B2M 碳化硅MOSFET分立器件
基本半导体碳化硅MOSFET系列产品基于高性能晶圆平台进行开发,在比导通电阻、品质系数因子FOM、开关损耗以及可靠性等方面表现更为出色。同时,碳化硅 MOSFET系列产品的封装更为丰富,以更好满足客户需求。

基本半导体碳化硅MOSFET分立器件产品型谱

三、碳化硅MOSFET模块的驱动板整体解决方案
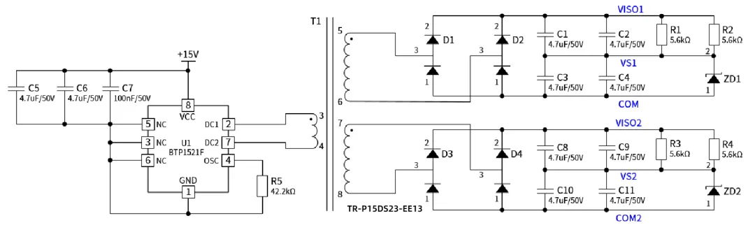
为了充分发挥碳化硅MOSFET的性能,基本半导体提供完整的驱动板解决方案BSRD-2423-ES01及其零件。该碳化硅 MOSFET驱动板所应用的三款零件为基本半导体自主研发产品,包括双通道隔离变压器TR-P15DS23-EE13、正激DCDC电源芯片BTP1521x、单通道隔离驱动芯片BTD5350MCWR,客户可单独采用这些零件进行整体方案的设计。
1、碳化硅MOSFET驱动板参考设计

即插即用驱动板型号为BSRD-2423-ES01
两组输入电压,分别是24V和5V
2通道输出,单通道输出功率2W
驱动芯片直接输出峰值拉灌电流10A,无须外置推动级
可支持驱动1200V的功率器件(碳化硅 MOSFET)
2、隔离驱动专用正激DC-DC芯片BTP1521x

输出功率可达6W
适用于给隔离驱动芯片副边电源供电
正激电路(H桥逆变或推挽逆变)
软启动时间1.5ms
工作频率可编程,最高工作频率可达1.3MHz
VCC供电电压可达24V
VCC欠压保护点4.7V
工作环境-40~125℃
芯片过温保护点150℃, 过温恢复点120℃
超小体积封装
BTP1521x应用推荐电路图
DC1和DC2接变压器原边线圈,副边二极管桥式整流,组成开环的全桥拓扑(H桥逆变),输出功率可达6W, 输出经过电阻和稳压管分压后构成正负压,供碳化硅MOSFET使用,非常适用于给隔离驱动芯片副边电源供电。

当副边需求功率大于 6W 时, 可以使用推挽逆变拓扑,通过DC1和DC2 端控制外接的 MOSFET 来增加输出功率。

3、双通道隔离变压器TR-P15DS23-EE13介绍
TR-P15DS23-EE13是驱动器专用的隔离电源变压器,采用EE13骨架,可实现驱动器隔离供电,传输功率可达4W(每通道2W)。原理框图中N1是原边线圈,N2和N3是副边线圈,采用EE磁芯,磁芯材质铁氧体。


BTP1521F搭配隔离变压器TR-P15DS23-EE13典型应用介绍

全桥式拓扑,副边两路输出,单路输出功率可达2W,总输出功率4W。
输入电压15V ,副边全桥整流输出全电压(VISO-COM=23V)。
输出全电压通过4.7V的稳压管,将全电压拆分成正电压(VISO-VS=18V),负电压(COM-VS=-4V)。
BTP1521F的OSC管脚通过电阻R5=42.2kΩ接地,设置工作频率为F=477kHz。
工作频率可以通过RF-set电阻设置,本公式提供了RF-set(kΩ)和F(kHz)之间的关系(典型值):

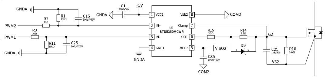
4、隔离驱动BTD5350MCWR典型应用介绍

原方VCC1供电电压5V
BTD5350xx是电压型输入的容隔驱动,输入IN是高阻抗,如果输入信号PCB布线不合理,容易导致输入信号受到干扰,驱动芯片会误动作,建议在PWM输入接电阻R11=10kΩ到地(甚至更低的电阻),目的是使得PWM信号的线路上能产生足够的电流,可以避免芯片输入IN脚受到干扰,同时靠近芯片IN脚接滤波电容C25=100pF到地。
副方电源VISO2接+18V, COM2接-4V ,G2连接到主功率板上的门极电阻。
驱动芯片米勒钳位Clamp连接到主功率板上SiC MOSFET门极。
当R3=22Ω,上下两通道可以实现互锁模式,当去掉R3,上下通道独立控制,无互锁功能。
随着碳化硅技术的不断进步,碳化硅MOSFET在工商业储能PCS中的应用前景广阔。基本半导体的碳化硅产品凭借优异的性能和可靠性,成为125kW工商业储能PCS客户的理想选择。未来,随着碳化硅器件的成本进一步下降,其在储能系统中的应用将更加广泛,推动整个行业向高效、高可靠的方向发展。

如您对我们的产品感兴趣,欢迎添加微信联系咨询哦!